24小时客服热线
137-5101-0017
电话:0755-33168386
微信:13751010017
QQ:320300123
邮箱:sales@china-gauges.com
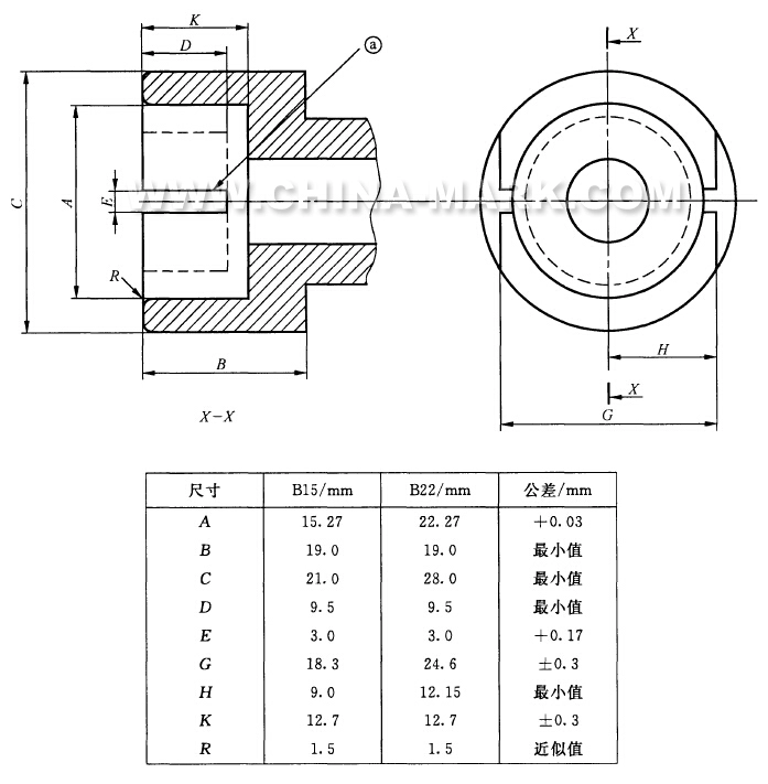
根据GB16844图3,IEC60968Fig3等标准制作而成,用于装有螺口灯头的灯作扭矩试验用灯座的量规检测。
抗扭矩
在进行下述扭矩试验时,灯头应与灯体或灯上用来旋进或旋出的部件牢固地连结:
B22d--------------3N·m
B15d--------------1.15N·m
试验采用图中所示的试验灯座。
扭力不应突然施加,而应逐渐从零增加到规定值。
对于不采用粘结方式固定的灯头,可允许在灯头与灯体之间有相对位移,但应不超过10°。机械强度试验之后,样品应符合接触性的要求。
接头:
关于我们
深圳市聚利兴仪器有限公司是一家致力于检测试验设备设计、生产和销售为一体的高科技企业,公司产品主要有以下几类:
1. 燃烧试验检测设备:水平垂直燃烧试验仪、针焰试验仪、漏电起痕试验仪、灼热线丝试验仪、单根电线电缆垂直燃烧试验仪;
2. 电器防护及可靠性检测产品:弹簧冲击锤、球压试验仪、标准试验指针销、试验弯指、UL试验指、试验指甲、试验直指、试验棒、试验探针、稳定性试验台、摆锤冲击试验装置、滚桶跌落试验机、插拔力试验机、开关按键寿命试验机、吸油烟机空气性能试验装置、风量测量试验装置、弹性外壳机械强度试验装置、标准试验锅、插头力矩实验装置、插座扭力装置、灯具防风罩、温升测试角等;
3. 电气电子测试仪:晶振测试仪,耐压测试仪、接地电阻测试仪、绝缘电阻测试仪、泄漏电流测试仪、LCR数字电桥、示波器、红外辐照计、紫外辐照计等;
4. 安规检测设备:B15灯头量规,B22灯头量规,E10灯头量规,E12灯头量规,E14灯头量规,E17灯头量规,E26灯头量规,E27灯头量规,E39灯头量规,E40灯头量规,GZ10灯头量规,GU10灯头量规,G5灯头量规,G13灯头量规,其它灯头量规,MR16灯头量规,MR11灯头量规,国标GB1002/GB1003插头插座量规,英标BS1363插头插座量规,德标VDE0620-1插头插座量规,欧标EN50075插头插座量规,澳标AS/NZS3112插头插座量规等;
5. 淋水试验装置:IPX1/IPX2垂直滴水试验机,IPX3/IPX4摆管淋雨试验机,IPX3/IPX4花洒头淋雨试验喷嘴,IPX5/IPX6强喷头试验装置,智能供水系统,试验转台,综合控制柜,IPX7浸水箱,IPX8压力式浸水试验;
6. 各类非标检测设备:可根据GB、IEC、UL等标准定做各类非标设备。
公司一贯坚持“质量第一,用户至上,优质服务,信守合同”的宗旨,凭借着高质量的产品,良好的信誉,优质的服务,产品畅销全国近三十多个省、市、自治区以及远销英国、美国、德国等国家。竭诚与国内外商家双赢合作,共同发展,共创辉煌!
企业使命
“追求客户所追求”是我们永远的使命。我们会在与客户的交流当中了解客户的需求及客户使用产品的情况,在客户遇到问题时提供及时的帮助和支持,并从中认识到自己的不足,在完成使命的同时力求达到完美。我们积极向上,对客户,对合作伙伴都充满热情,对新技术充满好奇,勇于迎接挑战,并坚持不懈!
公司愿景
在现今瞬息万变的社会,已不再是“占山为王”的时代,我们并不想做井底之蛙,固步自封,我们追求的是与业界同仁一同随着科技浪潮不断的翻涌而使自己得到成长的历程,能够随时保持公司生命力的繁荣强大。
我们保证:“以诚为本”、“以质为先”、“贴近大众”、“服务用户”,以六个西格玛的品质打造一流的企业,独创一格,欣欣向荣,愿我们的产品与服务,能带给您企业更大的便利与发展。
联系我们
联系人: 李先生 电 话: 0755-33168386 传 真: 0755-61605199 手 机: 13751010017 Q Q: 320300123 微 信: Bambury 邮 箱: sales@china-gauges.com 地 址: 广东省深圳市宝安区西乡大道与宝安大道交汇处宝和大厦6F 邮 编: 518102 网 址: http://www.testmarts.com/